24. listopad 2016
Polovodiče: Fotovoltaický jev a parametry fotovoltaického článku

Dnešní článek, v pořadí třetí o polovodičích, pojednává o principu fungování fotovoltaického článku. V první části bude vysvětlena konstrukce fotovoltaického článku, který je založen na jednoduchém PN přechodu. Dále bude vysvětlen vznik proudu a náhradní schéma fotovoltaického článku. V poslední části si ukážeme na VA-charakteristice fotovoltaického článku jeho základní parametry.
Princip konstrukce fotovoltaického článku
Pokud na povrch materiálu dopadá světlo o intenzitě Φin, část světla o intenzitě Φ0 vstoupí do objemu materiálu (Φ0 =Φin(1–R), kde R je odrazivost povrchu). Při průchodu světla materiálem intenzita klesá se vzdáleností od povrchu.

kde α je absorpční koeficient, který závisí na vlnové délce λ dopadajícího záření. Absorpce fotonu znamená předání jeho energie částicím materiálu. Pokud dochází k interakci fotonu s kmity mřížky nebo s volnými elektrony, dochází ke zvýšení střední kinetické energie těchto částic a dochází ke zvýšení teploty. U materiálů s kovalentní vazbou může při interakci fotonu s dostatečně vysokou energií dojít k uvolnění elektronu z vazby.
U polovodičů vzniká pár elektron-díra. Oba typy nosičů nábojů se mohou pohybovat v materiálu a přenášet elektrický náboj. Pokud je absorbován foton o energii větší než je šířka zakázaného pásu (minimální vazební energie), tak nadbytečná část energie fotonu se při interakci s mřížkou přeměňuje na tepelnou energii (tzv. termalizace).

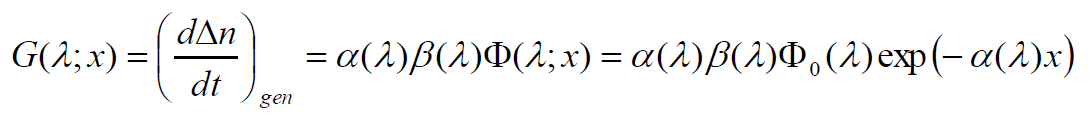
Závislost absorpčního koeficientu α(λ) na vlnové délce dopadajícího záření je spojena se strukturou materiálu. Elektron se může vrátit zpátky do neobsazeného stavu ve vazbě a v tomto případě dochází k rekombinaci elektronu a díry. Ve vzdálenosti x pod povrchem je generováno za jednotku času G párů elektron-díra. Vznikne-li při interakci β párů elektron-díra, pak pro záření s vlnovou délkou λ je generace nosičů dána vztahem

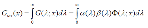
Celková generace párů elektron-díra Gtot je pak dána integrací přes celé spektrum dopadajícího záření.

Je-li koncentrace nerovnovážných nosičů Δn, dochází za jednotku času k rekombinaci R párů elektron-díra

kde τ je doba života nerovnovážných nosičů. V ustáleném stavu jsou procesy generace a rekombinace v dynamické rovnováze a platí Δn =τ G.
Pro vytvoření potřebného rozdílu potenciálu je nutno využít struktury s vestavěným elektrickým polem. Vhodné struktury jsou PN přechod a heteropřechod (kontakt dvou různých materiálů). Vestavěné elektrické pole generované páry elektron–díra odděluje a to tím způsobem, že elektrony jsou urychlovány do oblasti N a díry do oblasti typu P. Tímto způsobem se oblast typu N nabíjí záporně a oblast typu P nabíjí kladně. Na osvětleném polovodiči s PN přechodem vzniká fotovoltaické napětí. Připojí-li se mezi tyto oblasti zátěž, protéká jím elektrický proud.
Princip funkce fotovoltaického článku

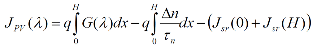
V ozářené oblasti jsou generovány nerovnovážné nosiče, které difundují směrem k PN přechodu. Hustota proudu JPV je tvořena nosiči, které byly zachyceny oblastí prostorového náboje. Nosiče generované mimo místa PN přechodu musí k oblasti se silným elektrickým polem difundovat. Pokud zrekombinují dříve, než dosáhnou oblasti PN přechodu, neuplatní se při generaci fotovoltaického napětí. Je tedy možno (při zahrnutí povrchové rekombinace pomocí rekombinační proudové hustoty Jsr) vyjádřit generovanou proudovou hustotu vztahem

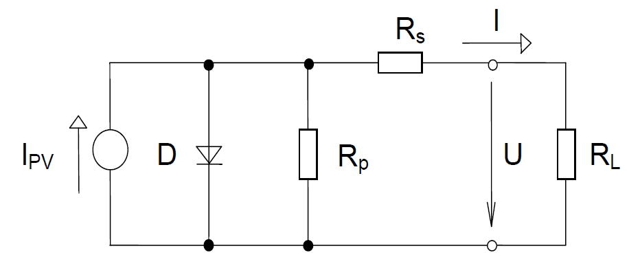
Je proto třeba volit konstrukci a technologii fotovoltaických článků s ohledem na minimální rekombinační ztráty. Fotovoltaický (FV) článek je možno modelovat pomocí náhradního obvodu

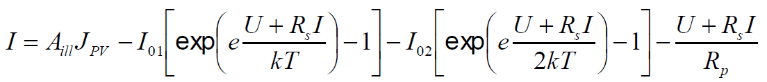
Ozářená oblast PN přechodu o ploše Aill generuje proud o hustotě JPV, přičemž se oblast typu P nabíjí kladně a oblast typu N záporně. Tím je přechod propustně polarizován a část generovaného proudu teče zpět diodou D (rekombinace). Technologické nedokonalosti (mikrosvody) PN přechodu jsou modelovány svodovým odporem Rp, vliv odporu materiálu a proudových sběrnic je modelován sériovým odporem Rs. Výstupní napětí U na FV článku je o úbytek napětí na sériovém odporu nižší, než napětí Uj na diodě. Výstupní proud FV článku je možno vyjádřit vztahem

Ze vztahu je vidět zásadní vliv sériového odporu na voltampérovou charakteristiku FV článku. Sériový odpor snižuje výstupní proud a tím i účinnost článku.
Parametry fotovoltaického článku
Nejvyšší možnou hodnotou proudu je maximální proud tzv. zkratový proud ISC, který může solární článek při dané intenzitě ozáření dodávat. Dalším charakteristickým bodem je napětí naprázdno UOC, které udává maximální napětí na článku, kterého je možno dosáhnout, když ke článku není připojena žádná zátěž. Výkon solárního článku se určuje jako součin proudu a napětí. Pro každý článek existuje pracovní bod na charakteristice, ve kterém je výkon největší. Tento bod je označován jako bod maximálního výkonu (MPP) o napětí Ump a proudu Imp.

Výkon určitého solárního článku závisí na ozáření, na spektru světla a na teplotě článku. Jako parametry článků se udávají hodnoty ISC, UOC, Ump, Imp a Pm = Ump * Imp, dále pak ještě činitel plnění FF = (Ump*Imp)/(UOC* ISC) a účinnost η = (Ump*Imp)/Pin (Pin je výkon dopadajícího záření) stanovené za standardních testovacích podmínek, tj. při teplotě 25°C, intenzitě záření 1000 W/m2 a spektru AM 1,5. Dalšími parametry jsou hodnoty sériového odporu Rs a paralelního odporu Rp. VA charakteristika závisí výrazně na intenzitě dopadajícího záření a na teplotě.
Zdroj úvodní fotografie: costofsolar.com
Mohlo by vás zajímat
10. červen 2016
9. srpen 2016
8. březen 2017
26. srpen 2025
15. listopad 2025
28. listopad 2025
3. prosinec 2025







Komentáře v diskuzi mohou pouze přihlášení uživatelé. Pokud ještě účet nemáte, je možné si jej vytvořit na stránce registrace. Pokud již účet máte, přihlaste se do něj níže.