10. duben 2026
Zpracování ropy - 1. část - základní zpracování ropy

O ropě se v dnešní době mluví zejména ve spojitosti s její klesající cenou. V posledním roce poklesly ceny ropy Brent i ropy WTI až k padaesáti dolarům za barel. V nedávném článku Těžba a rafinace ropy – základní statistiky jsme představili největší producenty ropy a ropných produktů, jež jsou výstupem procesu zvaného rafinace.
Jak ale vlastně probíhá celý proces zpracování ropy a jaké produkty jsou jeho výstupem?
Na tyto otázky odpoví série několika článků, ve kterých budou postupně představeny nejdůležitější technologie zpracování ropy (nebo také rafinace). Řeč bude i o samotných výstupech rafinace.
Základní zpracování ropy
Rafinace ropy probíhá v rafinériích, na které mohou navazovat petrochemické závody. Ropa se nejdříve odsoluje a poté se atmosférickou a vakuovou destilací ,,rozdestiluje“ na několik užších frakcí, které se následně zpracovávají odděleně.
Základem zpracování ropy je tedy frakční destilace, při níž jsou odděleny jednotlivé složky uhlovodíků podle jejich bodu varu.
Celkově je možné rozdělit základní zpracování ropy do následujících čtyř kroků:
- Odsolování ropy
- Atmosférická destilace ropy
- Vakuová destilace mazutu
- Petrochemická výroba
Odsolování ropy
Obsah solí v ropě se pohybuje obvykle v rozmezí 5 – 60 mg/kg. Anorganické soli jsou z ropy odstraňovýny zejména z následujících důvodů:
- Způsobují korozi technologického zařízení při zpracování ropy
- Usazují se v potrubí, v pecích, ve ventilech a na teplosměnných plochách výměníků tepla, čímž negativně ovlivňují funkčnost těchto zařízení
- Ucpávají póry katalyzátorů používaných při zpracování destilačních zbytků, címž způsobují jejich deaktivaci
Velká část vody a v ní obsažených solí se odstraňuje již v místě těžby a ropa dopravovaná do rafinérií mívá průměrně 0,02 – 0,2 % obj. vody. Voda je v ropě obsažena ve formě emulze, ve které jsou rozpuštěny nežádoucí soli. K jejich odstranění se v současnosti používá především elektrostatické odsolování. Schéma procesu je znázorněno na následujícím obrázku.

Pro zvýšení účinnosti odstranění vody a v ní obsažených solích se při elektrostatickém odsololování provádí:
- Ohřev za tlaku – dochází ke snížení viskozity ropy, čímž se zlepší její oddělování od vody
- Přídavk deemulgátorů – ty působí na rozrušení emulze
- Vystavení působení elektrického pole – el. pole způsobuje shlukování kapiček vody, zvětšování jejich velikosti, což umožňuje rychlejší a účinnější odsazení vody
Odsolování je prováděno při teplotách 90 – 150 ºC. Jak je patrné ze schématu výše, do procesu je přidávána voda, která snižuje koncentraci solí v emulgované vodě. Čím má ropa větší hustotu, tím více vody a tím větší teplota se při odsolování musí používat.
Při jednostupňovém odsolování se dosahuje účinnosti 90 – 95 % a při požadavcích vyšší účinnosti odsolení je možné použít dvoustupnňové odsolování, které dosahuje účinnosti až 99 %.
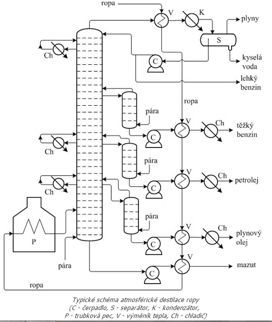
Atmosférická destilace
Atmosférická destilace se provádí v atmosférické destilační koloně při tlaku mírně vyšším, než je tlak atmosférických, obyvkle při 0,15 MPa. Schématický diagram tohoto procesu je znázorněn na následujícím obrázku.

Při atmosférické destilaci se nejdříve odsolená ropa předehřeje ve výměnících tepla destiláty odtahovanými z destilační kolony na teplotu 280 – 300 ºC a poté je ohřáta v trubkové peci na cca 360 ºC. Rozdělení na jednotlivé frakce probíhá podle teploty bodu varu frakcí v destilačních patrech kolony.
Lehký benzín, plyny a vodní pára odcházejí hlavou kolony přes výměník tepla do kondenzátoru, kde kondenzují. Následně přecházejí do separátoru, kde se odděluje voda. Jako boční frakce se odebírá těžký beznín, petrolej a plynový olej. Dalším produktem je mazut, který je odebírán jako tzv. destilační zbytek.
Zpracování atmosférických destilátů a zbytků na paliva
Produkty atmosférické destilace, tedy frakční destilace při atmosférickém tlaku, která probíhá v jedné nebo více kolonách, jsou tedy obvykle rafinérské plyny, lehký benzin, těžký benzin, petrolej, plynový olej a jako destilační zbytek mazut. Schématické znázornění produktů je uvedeno na následujícím obrázku.

Jednotlivé destiláty se většinou nejdříve pomocí hydrogenační rafinace odsiřují a vznikající sulfan se v tzv. Clausových jednotkách zpracovává na síru.
Rafinérské plyny se rozdělují na topný plyn a na propan butan. V případě lehkého benzinu se většinou pomocí izomerace (tento termín bude vysvětlen později) zvýší jeho oktanové číslo a poté se používá jako složka do automobilového benzinu. Co se těžkého benzinu týče, ten se vede nejdříve na jednotku reformování, kde dochází taktéž ke zvýšení oktanového čísla, a následně pokračuje na mísení do automobilových benzinů.
Petrolej je používána jako pohonná hmota pro letecké motory nebo jako složka do motorové nafty. Hlavní složkou motorové nafty je plynový olej.
Mazut, který je získáván jako zbytek z destilačního procesu, se někdy používá přímo nebo po úpravě vlastností (zejména bodu tuhnutí a viskozity) jako těžký topný olej. Úprava vlastností je docílena přídavkem lehčí frakce, kterou může být odsířený nebo neodsířený plynový olej. Většinou je ovšem mazut dále zpracováván vakuovou destilací.
Vakuová destilace
Jak je již uvedeno výše, destilační zbytek zvaný mazut se většinou dále destiluje vakuovou destilací. Ta probíhá za sníženého tlaku 2 – 10 kPa a vakuová kolona má typicky menší počet destilačních pater a větší průměr, což je dáno tím, že objem par při nižším tlaku je větší než za atmosférického tlaku. Snížením tlaku se dále snižuje bod varu přítomných sloučenin a tudíž lze z mazutu při teplotách do 360 – 400 ºC vydestilovat další frakce bez jejich termického rozkladu.
Schéma vakuové destilace je zobrazeno na následujícím obrázku.

Výstupem vakuové destilace jsou obvykle dva až tři boční destiláty, vakuový plynový olej a nezkondenzované plyny. Spodem je z vakuové kolony odčerpáván vakuový zbytek – asfalt.
Zpracování vakuových destilátů a zbytků na paliva
Vakuové destiláty a zbytky se přeměňují na pohonné hmoty pomocí štěpných procesů (krakování). Popis těchto procesů je náplní dalšího článku, který je věnován zpracování ropy.
Vakuové destiláty se nejčastěji štěpí pomocí fluidního katalytického krakování, někdy se využívá také hydrokrakování. Vakuové zbytky se štěpí nejčastěji termicky pomocí tzv. visbreakingu nebo koksování.
Vakuové zbytky je možné po smísení s lehčími frakcemi používat jako těžké topné oleje, dále je z nich možné vyrábět vodík potřebný pro hydrorafinační a hydrokrakovací procesy. Mohou být také použity na výrobu silničních a jiných asfaltů.
Hlavními produkty štěpných procesů jsou obvykle frakce využitelné při výrobě motorových a jiných paliv.
Schématický diagram zpracování vakuových destilátů a zbytků na paliva je znázorněn na obrázku níže.

Petrochemická výroba
Dalším typem zpracování ropných frakcí je produkce petrochemikálií. Základní petrochemické produkty jsou:
- alkeny (etylen, propylen, buteny, …) a dieny
- aromatické sloučeniny (benzen, toluen, …)
- syntézní plyn a vodík
Petrochemické závody odebírají z rafinérií některé frakce, ze kterých následně vyrábějí organické i anorganické chemikálie. Z důvodu snížení nákladů na dopravu jsou tyto závody často součástí nebo alespoň v blízkosti rafinérií.
Zjednodušené bokové schéma zpracování ropných frakcí na základní petrochemikálie je zobrazen na následujícím obrázku.

Byl pro vás tento článek užitečný?
Podpořte web a jeho autory symbolickou částkou
Mohlo by vás zajímat
26. květen 2026
25. květen 2026
27. květen 2026
27. květen 2026
27. květen 2026
28. květen 2026
29. květen 2026







